Aire Leathan á Tarraingt ó Cheannaithe Síneacha agus Eachtracha Go luath sa gheimhrea...
foghlaim níos mócur síos
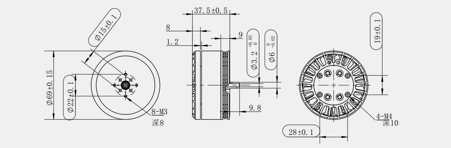
Is réiteach cumhachta ardfheidhmíochta é an mótar drone gan scuab LN6215 atá deartha le haghaidh UAVanna gairmiúla a dteastaíonn éifeachtúlacht agus iontaofacht araon. Ag luí le cadhnraí 12S LiPo, tagann an mótar seo i roghanna 150kV, 160kV, agus 170kV, rud a thugann solúbthacht d'oibreoirí leas iomlán a bhaint as seasmhacht, luas nó cumas pálasta.
Le uasmhéid éirim 3kg, seachadann an LN6215 ardaitheoir cobhsaí agus aschur comhsheasmhach, rud a fhágann go bhfuil sé oiriúnach le haghaidh drones aerfhótagraif, drones mapála, UAVanna iniúchta, drones spraeála talmhaíochta, agus ilrotors tionsclaíoch. Cinntíonn a thógáil beachta-innealtóireacht creathadh íseal, rothlú réidh, agus cobhsaíocht eitilte feabhsaithe, fiú faoi choinníollacha éilitheacha.
I measc na bpríomhbhuntáistí tá:
Ard-Éifeachtúlacht - Laghdaíonn dearadh optamaithe caillteanas fuinnimh agus leathnaíonn sé am eitilte.
Tógáil Durable - Feidhmíocht iontaofa le diomailt teasa chun cinn ar feadh saolré níos faide.
Roghanna kV Solúbtha – 150kV le haghaidh seasmhachta fada, 160kV le haghaidh feidhmíochta cothromaithe, agus 170kV le haghaidh eitiltí ardluais.
Sá láidir – Suas le 3kg de shá chun tacú le hualaí pála agus feidhmeanna gairmiúla éagsúla.
Cibé acu suirbhéireacht, scannánaíocht, talmhaíocht, nó iniúchtaí tionsclaíocha, soláthraíonn an LN6215 an chumhacht agus an chobhsaíocht a theastaíonn le haghaidh oibríochtaí UAV gairmiúla.
Retek
raon feidhme
fiafraigh
| Spec Leictreach. | ||||||||||||||||||||||||||
| KV | Spec Battery. | uas. Smacht Fórsa (KG) | Meáchan Recom.Takeoff (KG) | Meáchan an Chórais (KG) | uas. Reatha (A) | uas. Con. Reatha (A) | Mótar Dim. (mm) | Stator Dim. (mm) | Gléasta Dim. (mm) | Prop. (orlach) | ||||||||||||||||
| 150 | 10S-12S | 12 | 3-5 | 0.32 | 17.2 | 5.5 | φ91*37.5 | φ83*13 | 4- M5*10 | 2480 | ||||||||||||||||
| Sonraí Tástála Sá | ||||||||||||||||||||||||||
| Lián (orlach) | Voltas (V) | Throttle (%) | Airgeadra Luchtaigh (A) | Séimhiú (g) | Cumhacht (W) | Éifeachtúlacht (g/W) | ||||||||||||||||||||
| GF2480 | 46.05 | 40% | 4.6 | 2416 | 212.2 | 13.18 | ||||||||||||||||||||
| 46.04 | 46% | 7.4 | 3377 | 343.8 | 12.16 | |||||||||||||||||||||
| 46.03 | 50% | 9.9 | 4106 | 460.2 | 11.10 | |||||||||||||||||||||
| 46.01 | 56% | 14.1 | 5209 | 653.2 | 10.47 | |||||||||||||||||||||
| 46.04 | 60% | 17.3 | 5947 | 800 | 9.58 | |||||||||||||||||||||
| 46.00 | 66% | 22.6 | 7086 | 1048.3 | 8.88 | |||||||||||||||||||||
| 45.97 | 70% | 26.6 | 7779 | 1230 | 8.35 | |||||||||||||||||||||
| 45.96 | 75% | 32.7 | 9016 | 1514 | 7.73 | |||||||||||||||||||||
| 45.94 | 80% | 37.6 | 9782 | 1742 | 7.30 | |||||||||||||||||||||
| 45.91 | 85% | 39.8 | 10253 | 1830.8 | 6.78 | |||||||||||||||||||||
| 45.89 | 90% | 43.6 | 10731 | 2005 | 6.25 | |||||||||||||||||||||
| 45.84 | 95% | 47.3 | 11232 | 2175.8 | 5.83 | |||||||||||||||||||||
| 45.85 | 100% | 51.8 | 11822 | 2398 | 5.76 | |||||||||||||||||||||
Cuir isteach do chuid faisnéise le do thoil.
Cibé acu ar mhaith leat a bheith i do chomhpháirtí linn nó an bhfuil treoir nó tacaíocht ghairmiúil uait maidir le roghnú táirgí agus réiteach fadhbanna, tá ár bhfoireann saineolaithe réidh chun cabhrú leat ar fud an domhain laistigh de 12 uair an chloig!
Aire Leathan á Tarraingt ó Cheannaithe Síneacha agus Eachtracha Go luath sa gheimhrea...
foghlaim níos móOsclóidh Expo Geilleagar Íseal Airde Idirnáisiúnta Guangzhou 2025 a bhfuiltear ag súil leis go mó...
foghlaim níos móTá clúdach feidhmíochta Aerfheithiclí gan Fhoireann (UAVanna) sainmhínithe go docht ag a gcórais ...
foghlaim níos móLe déanaí, thug toscaireacht de phríomhchliaint Eorpacha cuairt speisialta ar ár gcuideachta le h...
foghlaim níos móTuiscint Cad a Mótar DC Coreless I ndáiríre Tairiscintí Cén Fáth a Bhfuil Innealtóirí a...
foghlaim níos móÁr nDrone Motors Debut ag Shenzhen Military-Sibhialta Expo le Rath thar ba...
foghlaim níos mó